Cross Sections
Circular Section
Figure 3-75: Geometry of a circular cross section. The diagram also displays in COMSOL Multiphysics when this option is selected.
Izz
ez
Iyy
Izz
ey
Wt
p1
p2
p3
p4
re
Square Section
Figure 3-76: Geometry of a square shaped cross section. The diagram also displays in COMSOL Multiphysics when this option is selected.
Izz
ez
Iyy
Izz
ey
Wt
p1
p2
p3
p4
re
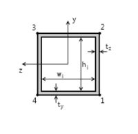
Rectangular Section
Figure 3-77: Geometry of a rectangular cross section. The diagram also displays in COMSOL Multiphysics when this option is selected.
Izz
ez
Iyy
ey
Wt
p1
p2
p3
p4
re