Theory for the Truss Interface
General Theory for the Truss Interface
Shape Functions
Trusses are modeled using Lagrange shape function. The Lagrange shape function makes it possible to specify both normal strains and Green–Lagrange strains to handle small strains as well as large deformations.
Strain–Displacement Relation
The axial strain εn is calculated by expressing the global strains in tangential derivatives and projecting the global strains on the edge.
where t is the edge tangent vector and εgT is defined as
The strains can be expressed as either engineering strains for small displacements or Green–Lagrange strains for large displacements. The Green–Lagrange strain tensor used for large displacements is defined as
The engineering strain tensor used for small displacements is defined as
(3-269)
The axial strain written out becomes
Stress–Strain Relation
The constitutive relation for a truss is uniaxial. The axial stress, σn, is computed as
where
εn is the total axial strain
εn,el is the elastic axial strain
εinel is the sum of all inelastic strain contributions:
-
-
-
-
σex is the sum of all extra stress contributions:
-
-
In a geometrically nonlinear analysis, this equation should be interpreted as a relation between Second Piola–Kirchhoff stresses and Green–Lagrange strains.
For output, the First Piola–Kirchhoff stress Pn is computed from the Second Piola–Kirchhoff stress using
where s’ is the ratio between current and initial length. The axial force in the element is then computed as
where A0 is the undeformed cross-section area. The engineering (Cauchy) stress is defined by
where A is the deformed area of the element. For a geometrically linear analysis, the change in area is ignored, so that A = A0.
For a geometrically nonlinear analysis, the area change is computed based on an assumption about a linear elastic material with Poisson’s ratio ν. The area change is
This is the only occasion where the Truss interface makes use of the value of ν.
In a geometrically linear analysis all the stress representations have the same value.
Implementation
Using the principle of virtual work results in the following weak formulation
where the summation stands for summation over all points in the geometry. Replacing the integration over the cross section with the cross-sectional area (A) and the volume forces with line forces, the equation becomes
In the case of geometric nonlinearity, the stress and strain should be interpreted as Second Piola–Kirchhoff stress and Green–Lagrange strains
Theory for Straight Edge Constraint
The optional constraint to enforce the nodes to lie on the straight line between the endpoints of the edge are formulated as follows:
Starting with the large displacement case, let xd1 and xd2 be the deformed position of the two endpoints of the edge
(3-270)
where ui is the displacement, and xi is the coordinate (undeformed position) at endpoint i. The equation for the straight line through the endpoints is
(3-271)
where t is a parameter along the line, and a is the direction vector for the line. a is calculated from the deformed position of the endpoints as
The constraints for the edge are derived by substituting the parameter t from one of the scalar equations in Equation 3-271 into the remaining ones. In 2D the constraint equations become
In 3D the two constraints equations become
To avoid problems when the edge is directed in one of the coordinate axes directions, a third constraint is added. This constraint is a linear combination of the two earlier constraints:
This constraint is nonlinear, since a depends on the displacement.
A linear constraint is needed in the case of a geometrically linear problem to become independent of the solver. The linear relation for the displacement is
(3-272)
where uax is the axial displacement along the edge, and xn is a linear parameter along the edge
Eliminating uax from Equation 3-272 results in the following linear constraint in 2D
and the following three linear constraints in 3D:
(3-273)
Theory for Spring-Damper Material
Introduction
You can use a Spring-Damper Material to connect two points by an elastic spring, a viscous damper, or both. Such springs can be used in any structural mechanics physics interface, by adding a Truss interface. You can then set the degree of freedom names in the two interfaces to the same name, in order to share the same displacement fields.
The two points can move relative to each other in an arbitrary way as long as they do not coincide. The spring and damping forces act along the line between the current positions of the two connection points.
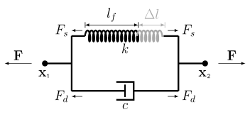
Figure 3-72: Conceptual sketch of the Spring-Damper Material.
Connection Points and Spring Length
The current position of the two endpoints, x1 and x2, can be written as
where X1 and X1 are the original positions of the two points, and u1 and u2 are their respective displacements. The initial spring length, l0, is
The current spring length, l, is
In the case of a geometrically linear analysis, the current spring length is linearized to
In addition to the initial geometrical distance between the two points you can specify an initial spring extension Δl0, so that the free length of the spring is
You can also specify the free length of the spring explicitly.
The spring extension Δl is computed as the difference between the current spring length and the free length,
Deactivation
You can specify that the Spring-Damper Material should be deactivated under certain conditions. It can for example be active only in tension, or break at a certain elongation. In terms of implementation, this means that many expressions are multiplied by an activation indicator, iac. The activation indicator has the value 1 when the component is active, and 0 when deactivated.
Spring and Damping Forces
The spring force is proportional to the spring constant k:
If k depends on the extension, so that the spring is nonlinear, it should be interpreted as a secant stiffness, that is
You can also specify the spring force as function of extension explicitly as
To create the expression for the function, use the built-in variable for the spring extension. It has the form <physicsTag>.<SpringNodeTag>.dl, for example truss.spd1.dl.
In a dynamic analysis, the viscous damping force is computed as
where c is the viscous damping coefficient. In frequency domain, it is also possible to specify a loss factor η, and the total damping force will then be
The magnitude of the total force is
The total forces in the global coordinate system, acting on the connection points are
In a geometrically linear case, the orientation of the force is kept fixed, so that
The contribution to the virtual work is
Spring and Damping Energies
In stationary and time-dependent analysis, the elastic energy in the spring is computed as
In a time-dependent analysis, the energy dissipated in the damper, Wd, is computed using an extra degree of freedom. The following equation is added:
In a frequency domain analysis, the elastic energy in the spring and the energy dissipated in the damper are computed as
These energy quantities represent the cycle average, and only the perturbation terms are included.
Local Buckling
In a truss model, each individual mesh element is assumed to be straight. A linear buckling analysis gives the buckling load for entire truss structure, but it cannot detect local buckling of individual members.
The buckling load for each member can however be directly computed from material and geometrical properties, and variables for this are available.
The critical load of an individual bar can be expressed as
(3-274)
Here, E is Young’s modulus, Imin is the area moment of inertia in the weakest orientation of the cross section, and L is the length of the bar. K is called the effective length factor, and can be used to compensate for nonideal end conditions. The value 1 corresponds to the Euler 2 buckling case, in which both ends are pinned.
The failure index is computed as the ratio between the compressive axial force N and the critical load:
(3-275)
A failure index exceeding 1 means that the buckling load is exceeded. A set of variables providing different measures of the utilization is listed in Table 3-19.