Common Cross Sections
The cross-section data for the common cross sections can be computed internally in COMSOL Multiphysics. In this section, the expressions used are summarized.
Rectangular Section
Figure 3-62: Geometry of a rectangular cross section. The diagram also displays in COMSOL Multiphysics when this option is selected.
Izz
ez
Iyy
ey
Wt
p1
p2
p3
p4
re
Box Section
Figure 3-63: Geometry of a box shaped cross section. The diagram also displays in COMSOL Multiphysics when this option is selected.
Izz
ez
Iyy
ey
Wt
p1
p2
p3
p4
re
Circular Section
Figure 3-64: Geometry of a circular cross section. The diagram also displays in COMSOL Multiphysics when this option is selected.
C
Izz
ez
Iyy
ey
Wt
p1
p2
p3
p4
re
Pipe Section
Figure 3-65: Geometry of a pipe cross section. The diagram also displays in COMSOL Multiphysics when this option is selected.
Izz
ez
Iyy
ey
Wt
p1
p2
p3
p4
re
H-Profile Section
Figure 3-66: Geometry of an H-profile cross section. The diagram also displays in COMSOL Multiphysics when this option is selected.
Izz
ez
Iyy
ey
Wt
p1
p2
p3
p4
re
U-Profile Section
Figure 3-67: Geometry of a U-profile cross section. Also displays in COMSOL Multiphysics when this option is selected.
Izz
zCG
ez
Iyy
ey
Wt
p1
p2
p3
p4
re
T-Profile Section
Figure 3-68: Geometry of a T-profile cross section. Also displays in COMSOL Multiphysics when this option is selected.
yCG
Izz
ez
Iyy
ey
Wt
p1
p2
p3
p3
re
C-Profile Section
Figure 3-69: Geometry of a C-profile cross section. Also displays in COMSOL Multiphysics when this option is selected.
Izz
zCG
ez
Iyy
ey
Wt
p1
p2
p3
p4
re
The expression for the shear center offset is valid only for the case when the thickness is constant, that is
Then
where
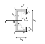
Hat Section
Figure 3-70: Geometry of a Hat cross section. Also displays in COMSOL Multiphysics when this option is selected.
Izz
zCG
ez
Iyy
ey
Wt
p1
p2
p3
p4
re
The expression for the shear center offset is valid only for the case when the thickness is constant, that is
Then
where